Правильный подбор замка на дверь
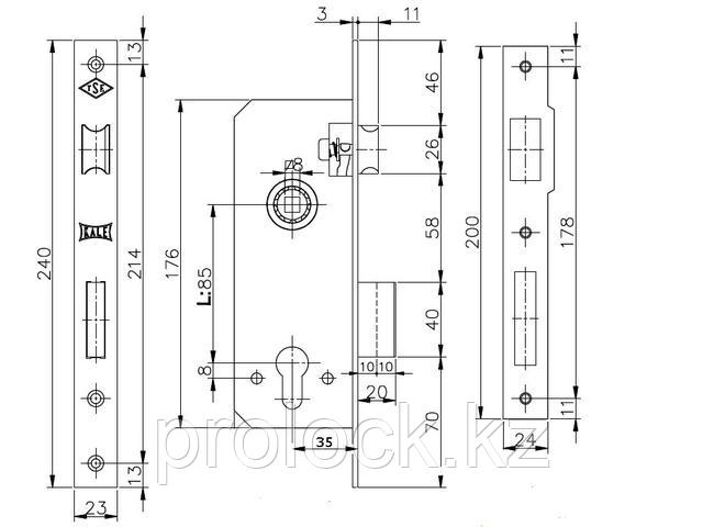
Рано или поздно у каждого наступает момент замены замка на двери. Причины могут быть разные: утеря ключей, выход из строя замка, заклинивание. Тут вы зададитесь вопросом - а какой же замок мне поставить? Самый распространенный ответ мастеров по установке и замене замков, это "отправьте пожалуйста фото вашего замка с трёх сторон на WhatsApp". Действительно если у вас уже стоит замок и вы хотите его заменить на другой, более надежный, либо сменить цилиндр замка, то самое минимальное для представления картины работ по замене , будет фотография вашего нынешнего замка. Ведь очень важно, мастеру установщику замков, представлять и отталкиваться от размеров уже установленного замка. Почему? Спросите вы! А дело в том что ни каждый замок, или сердцевина замка сможет подойти на определенную дверь с уже установленным замком. Дело здесь в том что у каждого механизма замка, или личинки есть свой размер и смещение, которое играет очень важную роль при замене. Вот например, при толщине двери 9см, цилиндр замка, или сердечник должен быть определенной длинны. Если замок расположен строго по центру то цилиндр должен быть 50мм/50мм, а а если замок смещен от центра, то и личинка должна быть со смещение, допустим 40мм/60мм.


Тоже самое касается и замка. Если у вас замок допустим 35мм по планке, то вам уже не подойдет замок меньших размеров. Важно также учитывать какого типа замок сувальдного, либо цилиндрического, а также расстояние отверстий накладок, ручек на двери.
Замков и сердцевин разной длинны и смещений существует более тысячи видов и исходя из этого не каждый замок сможет перекрыть отверстия и стать на место предыдущего. Этими всеми расчётами, вооружён практически каждый специалист по врезке замков. Поэтому не мало важно обратиться к грамотному мастеру, который не только подберет замок, именно под вашу дверь, но и максимально проконсультирует и даст список замков которые вы сможете выбрать исходя из таких критерий, как надежность, безопасность, взломостойкость и долговечность.
- Замки PROLOCK: надёжность и инновации в защите вашего имущества
- Умные замки: будущее безопасности вашего дома



